| Auteur |
Message |
GSITURBO16
Administrateur

Inscrit le: 28 Juin 2006
Messages: 8589
Localisation: 77 France
Voiture: Kadett GSI / Insignia Tourer OPC Line
         
|
|
     |
 |
'tite grenouille
20XE

Inscrit le: 08 Oct 2006
Messages: 2149
Localisation: Toulouse
Voiture: Calibra V6 BV6
|
|
    |
 |
adricali59
20SEH
Inscrit le: 24 Fév 2011
Messages: 1873
Localisation: 59
Voiture: Vectra i500 caravane
|
Posté le:
Lundi 01 Juillet 2013 23:44 |
  |
Je le chercher justement.
|
|
 |
|
  |
 |
GSITURBO16
Administrateur

Inscrit le: 28 Juin 2006
Messages: 8589
Localisation: 77 France
Voiture: Kadett GSI / Insignia Tourer OPC Line
         
|
Posté le:
Mardi 02 Juillet 2013 06:26 |
  |
si il faut, je le mets en meilleur resolution.
|
_________________ Kadett GSI Turbo 4x4 __ Insignia Tourer
 |
 |
|
     |
 |
Mitch
LOTUS OMEGA

Inscrit le: 30 Juin 2006
Messages: 4326
Localisation: La Haute-Patate
Voiture: Kadett(s) GSi 16V
         
|
Posté le:
Vendredi 07 Février 2014 10:15 |
  |
Belle pièce, est-ce que quelqu'un s'est lancé dans la fabrication de ces pièces ? Si oui je suis intéressé
|
_________________ On aime nos kadetts comme nos femmes : propres, lisses et la trentaine (la vingtaine étant passée pour les 2)
Vendre sa GSI est un crime........réflechissez bien avant de le commettre ! |
 |
|
   |
 |
shurato972
1200s

Inscrit le: 22 Jan 2010
Messages: 133
Localisation: Martinique
Voiture: corsa B
|
Posté le:
Mardi 11 Février 2014 19:27 |
  |
c'est intéressant!! Si on pouvait avoir les plan des tous les supports pour tout style de conversion.... IMPEC!!! un pti post avec tous les schémas! Que du bonheur
|
_________________ soif du LET..... |
 |
|
   |
 |
Ismax94
20NE
Inscrit le: 19 Mar 2013
Messages: 1400
Voiture: Vectra OPC/Tigra A
|
Posté le:
Mercredi 04 Mars 2015 14:40 |
  |
Super le post !!
Merci à vous les gars
|
|
 |
|
  |
 |
nicolas74
20SEH

Inscrit le: 22 Sep 2015
Messages: 1576
Localisation: haute savoie
Voiture: Astra gsi turbo,astra turbo en prepa
|
Posté le:
Jeudi 05 Novembre 2015 20:31 |
  |
salut franck ton support est valable pour une kadett D pour un montage C25XE?
Merci d,avance
|
|
 |
|
  |
 |
Corsa V3
LOTUS OMEGA

Inscrit le: 29 Juin 2006
Messages: 6719
Localisation: 02320
Voiture: Corsa XE et Vectra 2.2 gts,Corsa C12NZ
|
Posté le:
Jeudi 05 Novembre 2015 20:38 |
  |
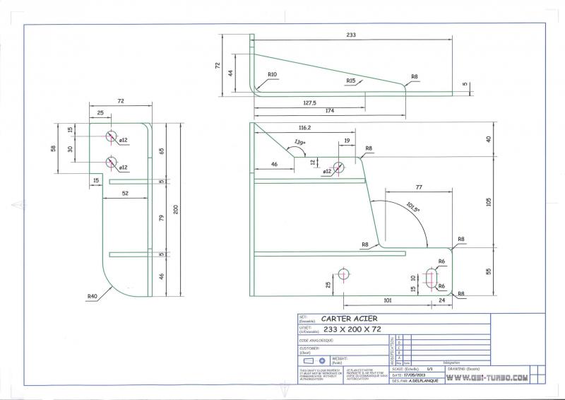
| GSITURBO16 a écrit: | Pour Kadett D et E
Support moteur C25XE X25XE X30XE
|
oui c est marqué noir sur blanc
|
_________________ Tu rigole parce que je roule en Corsa? Tu verras au bout de la piste, tu vas pleurer LOL
13,316 au 400M  |
 |
|
    |
 |
Mitch
LOTUS OMEGA

Inscrit le: 30 Juin 2006
Messages: 4326
Localisation: La Haute-Patate
Voiture: Kadett(s) GSi 16V
         
|
Posté le:
Jeudi 05 Novembre 2015 22:29 |
  |
Qui a un plan pour en faire faire ?
|
_________________ On aime nos kadetts comme nos femmes : propres, lisses et la trentaine (la vingtaine étant passée pour les 2)
Vendre sa GSI est un crime........réflechissez bien avant de le commettre ! |
 |
|
   |
 |
Pierre
LOTUS OMEGA

Inscrit le: 30 Mai 2008
Messages: 8101
Localisation: 81
Voiture: astra Père noël !!! astra GSI 24v , corsa surprise
   
|
Posté le:
Jeudi 01 Novembre 2018 22:02 |
  |
Si ce support va pour kadett e il va pour Astra F ?
Il supprime la pompe de DA par contre ?
|
_________________ Il y a pas que la vérité qui blesse , il y a aussi un bon coup de pelle!!! |
 |
|
  |
 |
GSITURBO16
Administrateur

Inscrit le: 28 Juin 2006
Messages: 8589
Localisation: 77 France
Voiture: Kadett GSI / Insignia Tourer OPC Line
         
|
Posté le:
Vendredi 02 Novembre 2018 06:34 |
  |
Pas sure que la hauteur du silent bloc moteur soit la meme sur Kadett E et Astra F.
Oui, montage sans la pompe de DA
|
_________________ Kadett GSI Turbo 4x4 __ Insignia Tourer
 |
 |
|
     |
 |
Pierre
LOTUS OMEGA

Inscrit le: 30 Mai 2008
Messages: 8101
Localisation: 81
Voiture: astra Père noël !!! astra GSI 24v , corsa surprise
   
|
Posté le:
Vendredi 02 Novembre 2018 22:01 |
 |
Vous mettez quoi en support moteur entre une calibra et kadett E les mêmes comme pour une Astra F donc ?
|
_________________ Il y a pas que la vérité qui blesse , il y a aussi un bon coup de pelle!!! |
 |
|
  |
 |
| |